Sınıf: MESEM - 9 Dal: Alan Ortak Dersleri(MESEM-9) Ders: Temel Araç Bilgisi Konu: Temel Servis Ekipmanları Tür: Klasik Zorluk: orta Hazırlayan: admin
Soru:

Aşağıda verilen ölçme aletinin ismini ve işaretli yerlerin isimlerini yazınız.

Soru Resmi
Cevaplar:
  • .
    Cevap Resmi
    (Doğru Cevap)
  • sabit ölçüm çenesi,hareketli ölçüm çenesi,kovan,tanbur,cırcır,kalibrasyon deliği,sabitleme mandalı,kalibrasyon çubuğu (Doğru Cevap)
Sınıf: MESEM - 12 Dal: Alan Ortak Dersleri(MESEM-12) Ders: Otomotiv Meslek Resmi Konu: Yapım ve Montaj Resimleri Tür: Klasik Zorluk: zor Hazırlayan: admin
Soru:

Aşağıdaki resimde üzerinde boyut toleransları, şekil ve konum toleransları ile yüzey işleme işaretleri verilen ara milin çizimini yapınız.

Soru Resmi
Cevaplar:
  • .
    Cevap Resmi
    (Doğru Cevap)
Sınıf: MESEM - 12 Dal: Alan Ortak Dersleri(MESEM-12) Ders: Otomotiv Meslek Resmi Konu: Yapım ve Montaj Resimleri Tür: Klasik Zorluk: zor Hazırlayan: admin
Soru:

Resimlerde ölçülendirme ve yüzey işaretleri gösterilmiş eksantirik milinin verilen ölçülerde çizimini yapınız.

Soru Resmi
Cevaplar:
  • .
    Cevap Resmi
    (Doğru Cevap)
Sınıf: MESEM - 12 Dal: Alan Ortak Dersleri(MESEM-12) Ders: Otomotiv Meslek Resmi Konu: Yapım ve Montaj Resimleri Tür: Boşluk Doldurma Zorluk: kolay Hazırlayan: admin
Soru:

Parçaları en iyi ifade eden yüzeyler ve karakteristik özellikler genellikle ........................ görünüşlerde gösterilmelidir.

Cevaplar:
  • önden (Doğru Cevap)
Sınıf: MESEM - 12 Dal: Alan Ortak Dersleri(MESEM-12) Ders: Otomotiv Meslek Resmi Konu: Yapım ve Montaj Resimleri Tür: Klasik Zorluk: zor Hazırlayan: admin
Soru:

Yüzey işleme işaretleri verilirken hangi kurallara uyulması gerekir?

Cevaplar:
  • Parçalar farklı üretim yolları ile (talaşlı imalat, döküm, kalıp dövme vb.) imal edildiklerinden parçayı oluşturan tüm yüzeylerin nasıl meydana getirildiği yüzey işleme işaretleri ile belirtilmelidir. (Doğru Cevap)
  • Tüm yüzeylere bu işaretler verilirse resim karışacaktır. Aynı yüzey kalitesine sahip en fazla olan yüzeyin yüzey işleme işareti genel gösterimde gösterilir. Parça üzerinde gösterilen işaretler genel gösterimde parantez içinde belirtilir (Doğru Cevap)
  • Yüzey işleme işaretleri verilirken TS 2040’daki kurallara uyulmalıdır. (Doğru Cevap)
Sınıf: MESEM - 12 Dal: Alan Ortak Dersleri(MESEM-12) Ders: Otomotiv Meslek Resmi Konu: Yapım ve Montaj Resimleri Tür: Klasik Zorluk: kolay Hazırlayan: admin
Soru:

Aşağıdaki resimde hem boyut hem de şekil ve konum toleransları verilmiş flanş parçasının yapım resmini çiziniz.

Soru Resmi
Cevaplar:
  • .
    Cevap Resmi
    (Doğru Cevap)
Sınıf: MESEM - 12 Dal: Alan Ortak Dersleri(MESEM-12) Ders: Otomotiv Meslek Resmi Konu: Yapım ve Montaj Resimleri Tür: Klasik Zorluk: kolay Hazırlayan: admin
Soru:

Aşağıda verilen ölçülendirilmiş parçanın verilen ölçülerde yapım resmini çiziniz?

Soru Resmi
Cevaplar:
  • .
    Cevap Resmi
    (Doğru Cevap)
Sınıf: MTAL - 10 Dal: Elektrikli Araçlar (MTAL-10) Ders: Elektrikli Araç Teknolojisi Atölyesi Konu: Elektrikli Araç Şarj Sistemi Tür: Klasik Zorluk: orta Hazırlayan: enver25
Soru:

Araçlarda kullanılan bataryanın görevleri nelerdir?

Cevaplar:
  • Marş motoruna ihtiyaç duyduğu ilk ve yüksek elektrik akımını vermektir. (Doğru Cevap)
  • Araç çalışmıyorken farlar, radyo, iç aydınlatma, alarm ve merkezi kilit gibi sistemlerin çalışması için gerekli elektriği sağlar. (Doğru Cevap)
  • Araç çalışırken elektrik sisteminde (alternatörden kaynaklı) oluşabilecek ani voltaj dalgalanmalarını emerek bir nevi yastık görevi görür. Bu sayede araçtaki hassas elektronik bileşenlerin ve sensörlerin zarar görmesini engeller. (Doğru Cevap)
  • Motor çalışırken aracın anlık elektrik ihtiyacı, alternatörün üretebileceği kapasiteyi aşarsa (örneğin aynı anda farlar, klima, silecekler ve cam rezistansı çalışırken), akü devreye girerek eksik olan gücü tamamlar. (Doğru Cevap)
Sınıf: MESEM - 9 Dal: Alan Ortak Dersleri(MESEM-9) Ders: Temel Araç Bilgisi Konu: İş Sağlığı ve Güvenliği Tür: Klasik Zorluk: kolay Hazırlayan: BEYKONAK
Soru:

İşçilerin iş kazalarına uğramalarını önlemek amacıyla güvenli çalışma ortamını oluşturmak için alınması gereken önlemler dizisine ne denir?

Cevaplar:
  • İş Güvenliği (Doğru Cevap)
Sınıf: MESEM - 11 Dal: Ön Düzen Ayarcılığı ve Lastikçilik(MESEM-11) Ders: Ofis Programları Konu: Elektronik Tablolama Tür: Klasik Zorluk: kolay Hazırlayan: admin
Soru:

Excel sayfasında herhangi bir sütunun tamamını seçmek için ne yapılır?

Cevaplar:
  • Sütun üzerinde yer alan harf üzerine mausun sol tuşu ile tıklanır. (Doğru Cevap)
Sınıf: MESEM - 11 Dal: Ön Düzen Ayarcılığı ve Lastikçilik(MESEM-11) Ders: Ofis Programları Konu: Elektronik Tablolama Tür: Klasik Zorluk: kolay Hazırlayan: admin
Soru:

Aşağıdaki simgesinin görevi nedir?

Soru Resmi
Cevaplar:
  • Sayfanın dikey veya yatay olarak çevrilmesini sağlar. (Doğru Cevap)
Sınıf: MESEM - 11 Dal: Ön Düzen Ayarcılığı ve Lastikçilik(MESEM-11) Ders: Ofis Programları Konu: Elektronik Tablolama Tür: Klasik Zorluk: kolay Hazırlayan: admin
Soru:

Excel programında seçili hücrelere para birimi yazmak istediğimizde hangi menüyü kullanabiliriz?

Cevaplar:
  • Hücreleri biçimlendir (Doğru Cevap)
Sınıf: MESEM - 11 Dal: Ön Düzen Ayarcılığı ve Lastikçilik(MESEM-11) Ders: Ofis Programları Konu: Elektronik Tablolama Tür: Klasik Zorluk: kolay Hazırlayan: admin
Soru:

CTRL + F kısa yol tuşunun görevi nedir?

Cevaplar:
  • Bul (Doğru Cevap)
Sınıf: MESEM - 11 Dal: Ön Düzen Ayarcılığı ve Lastikçilik(MESEM-11) Ders: Ofis Programları Konu: Elektronik Tablolama Tür: Klasik Zorluk: kolay Hazırlayan: admin
Soru:

Excel çalışma kitabında sütun ile satırın birleştiği bölülmedeki her bir kutucuğa ne ad verilir?

Cevaplar:
  • Hücre (Doğru Cevap)
Sınıf: MESEM - 11 Dal: Ön Düzen Ayarcılığı ve Lastikçilik(MESEM-11) Ders: Ofis Programları Konu: Elektronik Tablolama Tür: Klasik Zorluk: kolay Hazırlayan: admin
Soru:

Excel programında A5 neyi temsil eder?

Cevaplar:
  • A sütunu – 5. Satır (Doğru Cevap)
Sınıf: MESEM - 11 Dal: Ön Düzen Ayarcılığı ve Lastikçilik(MESEM-11) Ders: Ofis Programları Konu: Elektronik Tablolama Tür: Klasik Zorluk: kolay Hazırlayan: admin
Soru:

Microsoft Excel hangi program türüne uyar?

Cevaplar:
  • Elektronik Tablolama Programları (Doğru Cevap)
Sınıf: MESEM - 11 Dal: Ön Düzen Ayarcılığı ve Lastikçilik(MESEM-11) Ders: Ofis Programları Konu: Elektronik Tablolama Tür: Klasik Zorluk: kolay Hazırlayan: admin
Soru:

Bir hücrenin içinde #### işareti varsa bunun anlamı nedir?

Cevaplar:
  • Bilgiler hücreye sığmamıştır (Doğru Cevap)
Sınıf: MESEM - 11 Dal: Ön Düzen Ayarcılığı ve Lastikçilik(MESEM-11) Ders: Ofis Programları Konu: Elektronik Tablolama Tür: Klasik Zorluk: kolay Hazırlayan: admin
Soru:

Verilen tablo kaç sütundan oluşmuş bir tablodur?

Soru Resmi
Cevaplar:
  • 4 (Doğru Cevap)
Sınıf: MESEM - 11 Dal: Ön Düzen Ayarcılığı ve Lastikçilik(MESEM-11) Ders: Ofis Programları Konu: Elektronik Tablolama Tür: Klasik Zorluk: kolay Hazırlayan: admin
Soru:

Verilen tablo kaç satırdan oluşmuş bir tablodur?

Soru Resmi
Cevaplar:
  • 7 (Doğru Cevap)
Sınıf: MESEM - 11 Dal: Alan Ortak Dersleri(MESEM-11) Ders: Otomotiv Teknik Resim Konu: Temel Çizimler Tür: Klasik Zorluk: kolay Hazırlayan: admin
Soru:

Aşağıda eksen çizgilerinin kesişim noktası merkez olmak üzere 40 mm çapında bir daire çizerek elips haline getirin.

Soru Resmi
Cevaplar:
  • . (Doğru Cevap)
Sınıf: MESEM - 12 Dal: Otomotiv Gövde(MESEM-12) Ders: Otomotiv Gövde Onarımı Konu: Gövde Düzeltmeye Hazırlık Tür: Klasik Zorluk: kolay Hazırlayan: admin
Soru:

Aşağıdaki şekilde görülen lift çeşidi nedir?

Soru Resmi
Cevaplar:
  • Makaslı Lift (Doğru Cevap)
Sınıf: MESEM - 12 Dal: Otomotiv Gövde(MESEM-12) Ders: Otomotiv Gövde Onarımı Konu: Panel Onarımı Sonrası İşlemleri Tür: Klasik Zorluk: kolay Hazırlayan: admin
Soru:

Panel onarımı sonrası kontrol işlemi ne amaçla yapılır?

Cevaplar:
  • Kontrol işlemi, onarım sırasında görülemeyen ufak girinti ve çıkıntıların belirlenmesi için yapılmaktadır. (Doğru Cevap)
Sınıf: MESEM - 12 Dal: Otomotiv Gövde(MESEM-12) Ders: Otomotiv Gövde Onarımı Konu: Panel Onarımı Sonrası İşlemleri Tür: Klasik Zorluk: kolay Hazırlayan: admin
Soru:

Amerikan eğesi veya kaporta eğesi olarak da bilinen Karoseri eğesi kısımları nelerdir?

Cevaplar:
  • Eğe laması ve eğe tutucusu (Doğru Cevap)
Sınıf: MESEM - 12 Dal: Otomotiv Gövde(MESEM-12) Ders: Otomotiv Gövde Onarımı Konu: Panel Onarımı Sonrası İşlemleri Tür: Klasik Zorluk: orta Hazırlayan: admin
Soru:

Panel onarımı sonrası kontrol işleminde hangi ekipmanlar kullanılır?

Cevaplar:
  • Kontrol boyası, Karoseri eğesi (Doğru Cevap)
Sınıf: MESEM - 12 Dal: Otomotiv Gövde(MESEM-12) Ders: Otomotiv Gövde Onarımı Konu: Panel Onarımına Hazırlık Tür: Klasik Zorluk: kolay Hazırlayan: admin
Soru:

Çelikten imal edilmiş panel saclarının en büyük ve gizli düşmanı korozyondur korozyonun ileri seviyesi nedir?

Cevaplar:
  • Çürüme (Doğru Cevap)
Sınıf: MESEM - 12 Dal: Otomotiv Gövde(MESEM-12) Ders: Otomotiv Gövde Onarımı Konu: Panel Onarımı Sonrası İşlemleri Tür: Klasik Zorluk: kolay Hazırlayan: admin
Soru:

Panel sacında meydana gelen uzama hangi yöntem ile giderilir?

Cevaplar:
  • Büzdürme yöntemi (Doğru Cevap)
Sınıf: MESEM - 12 Dal: Otomotiv Gövde(MESEM-12) Ders: Otomotiv Gövde Onarımı Konu: Panel Onarımı İşlemleri Tür: Klasik Zorluk: orta Hazırlayan: admin
Soru:

Şekilde verilen çektirme yöntemi nedir?

Soru Resmi
Cevaplar:
  • Çok nokta çektirme. (Doğru Cevap)
Sınıf: MESEM - 12 Dal: Otomotiv Gövde(MESEM-12) Ders: Otomotiv Gövde Onarımı Konu: Panel Onarımına Hazırlık Tür: Klasik Zorluk: kolay Hazırlayan: admin
Soru:

Çektirme işleminde kullanılan pullar hangi malzemeden imal edilir?

Cevaplar:
  • Bakır kaplı özel çelik alaşım. (Doğru Cevap)
Sınıf: MESEM - 10 Dal: Alan Ortak Dersleri(MESEM-10) Ders: Araçlarda Hidrolik Pnömatik Sistemler Konu: Araçlarda Hidrolik Sistemler Tür: Klasik Zorluk: kolay Hazırlayan: admin
Soru:

Aşağıda sembolleri verilen hidrolik devre elemanlarının ismini yazınız.

Soru Resmi
Cevaplar:
  • 1- Hidrolik depo 2-Hidrolik filtre 3-Hidrolik pompa 4-Hidrolik motor (Doğru Cevap)
Sınıf: MESEM - 10 Dal: Alan Ortak Dersleri(MESEM-10) Ders: Araçlarda Hidrolik Pnömatik Sistemler Konu: Araçlarda Hidrolik Sistemler Tür: Klasik Zorluk: orta Hazırlayan: admin
Soru:

Ağır şartlar altında çalışan bir iş makinesinin hidrolik sisteminde, tanka dönen yağın içinde metal parçacıkları ve diğer kirleticiler bulunmaktadır. Bu parçacıklar yağın ömrünü kısaltmakta ve deponun çabuk kirlenmesine sebep olmaktadır. Hidrolik yağın daha temiz ve uzun ömürlü olması için hangi tip filtre, hidrolik devrenin hangi hattına takılmalıdır?

Cevaplar:
  • Dönüş hattı filtresi, hidrolik yağ dönüş hattına takılmalıdır (Doğru Cevap)
Sınıf: MESEM - 9 Dal: Alan Ortak Dersleri(MESEM-9) Ders: Temel Araç Bilgisi Konu: İş Sağlığı ve Güvenliği Tür: Çoktan Seçmeli Zorluk: orta Hazırlayan: suataksakal
Soru:

Gürültünün etkisinde bulunan kişide alınması gereken önlemlerden birisi değildir?

Cevaplar:
  • A. Gürültülü ortamdaki çalışma süresinin kısaltılması
  • B. Kulak koruyucularının gürültü engelleme değerleri
  • C. Gürültüye karşı etkin kişisel koruyucular kullanmak
  • D. Gürültüye maruz kalan çalışanı işten çıkarmak (Doğru Cevap)
Sınıf: MESEM - 9 Dal: Alan Ortak Dersleri(MESEM-9) Ders: Temel Araç Bilgisi Konu: İş Sağlığı ve Güvenliği Tür: Çoktan Seçmeli Zorluk: zor Hazırlayan: suataksakal
Soru:

Aşağıdakilerin hangisinde kulak koruyucularının azaltma dereceleri doğru olarak
verilmiştir?

Cevaplar:
  • A. Kulaklık=20-45 db (Doğru Cevap)
  • B. Kulak tıkacı=5-16 db
  • C. Parafinli pamuk=12-48 db
  • D. Cam pamuğu=7.5-32 db
Sınıf: MESEM - 9 Dal: Alan Ortak Dersleri(MESEM-9) Ders: Temel Araç Bilgisi Konu: İş Sağlığı ve Güvenliği Tür: Çoktan Seçmeli Zorluk: kolay Hazırlayan: suataksakal
Soru:

Gürültüyü meydana getiren sesleri kaç tür tanımlarız ?

Cevaplar:
  • A. 2
  • B. 8
  • C. 5
  • D. 3 (Doğru Cevap)
Sınıf: MESEM - 9 Dal: Alan Ortak Dersleri(MESEM-9) Ders: Temel Araç Bilgisi Konu: İş Sağlığı ve Güvenliği Tür: Çoktan Seçmeli Zorluk: orta Hazırlayan: suataksakal
Soru:

"Çağımızın en önemli endüstriyel ve çevre sorunlarından biri olarak karşımıza çıkan ve yeterli önlemler alınmadığı zaman insanlara zarar veren fiziksel etkenler vardır.''
Aşağıdakilerden hangisi bunlardan biridir?

Cevaplar:
  • A. Gürültü ve Gürültü kaynakları (Doğru Cevap)
  • B. Titreşim
  • C. Termal Konfor
  • D. Basınç
Sınıf: MESEM - 12 Dal: Alan Ortak Dersleri(MESEM-12) Ders: Otomotiv Meslek Resmi Konu: Yüzey İşaretleri ve Toleranslar Tür: Klasik Zorluk: orta Hazırlayan: mehmetkucukdag
Soru:

Şekildeki döner punta mili üzerinde gösterilen sayısal tolerans değerlerini tablodaki uygun yerlere yazınız?

Soru Resmi
Cevaplar:
Sınıf: MESEM - 12 Dal: Alan Ortak Dersleri(MESEM-12) Ders: Otomotiv Meslek Resmi Konu: Yüzey İşaretleri ve Toleranslar Tür: Klasik Zorluk: orta Hazırlayan: mehmetkucukdag
Soru:

Aşağıda verilen resmi resim üzerindeki verilen ölçülere göre çiziniz?

Soru Resmi
Cevaplar:
Sınıf: MESEM - 12 Dal: Alan Ortak Dersleri(MESEM-12) Ders: Otomotiv Meslek Resmi Konu: Yüzey İşaretleri ve Toleranslar Tür: Klasik Zorluk: kolay Hazırlayan: mehmetkucukdag
Soru:

Ölçüsünün kabul edilebilir ölçüm aralığı minimum ve maksimum nedir?

Soru Resmi
Cevaplar:
  • Minimum:55,9mm maksimum:56,1 mm (Doğru Cevap)
Sınıf: MESEM - 12 Dal: Alan Ortak Dersleri(MESEM-12) Ders: Otomotiv Meslek Resmi Konu: Kesit Alma Tür: Klasik Zorluk: orta Hazırlayan: mehmetkucukdag
Soru:

Aşağıdaki şeklin A-A düzleminde tam kesitini çizip ölçülendiriniz?

Soru Resmi
Cevaplar:
Sınıf: MESEM - 12 Dal: Alan Ortak Dersleri(MESEM-12) Ders: Otomotiv Meslek Resmi Konu: Kesit Alma Tür: Klasik Zorluk: orta Hazırlayan: mehmetkucukdag
Soru:

Aşağıdaki Parçanın tam kesit resmini çiziniz?

Soru Resmi
Cevaplar:
Sınıf: MESEM - 11 Dal: Alan Ortak Dersleri(MESEM-11) Ders: Otomotiv Teknik Resim Konu: Perspektif ve Ölçülendirme Tür: Klasik Zorluk: kolay Hazırlayan: mehmetkucukdag
Soru:

Aşağıdaki resmi 2/1 ölçekle çiziniz?

Soru Resmi
Cevaplar:
Sınıf: MESEM - 11 Dal: Alan Ortak Dersleri(MESEM-11) Ders: Otomotiv Teknik Resim Konu: Perspektif ve Ölçülendirme Tür: Klasik Zorluk: orta Hazırlayan: mehmetkucukdag
Soru:

Görünüşleri verilen parçanın EĞİK perspektifini çiziniz?

Soru Resmi
Cevaplar:
Sınıf: MESEM - 11 Dal: Alan Ortak Dersleri(MESEM-11) Ders: Otomotiv Teknik Resim Konu: Perspektif ve Ölçülendirme Tür: Klasik Zorluk: orta Hazırlayan: mehmetkucukdag
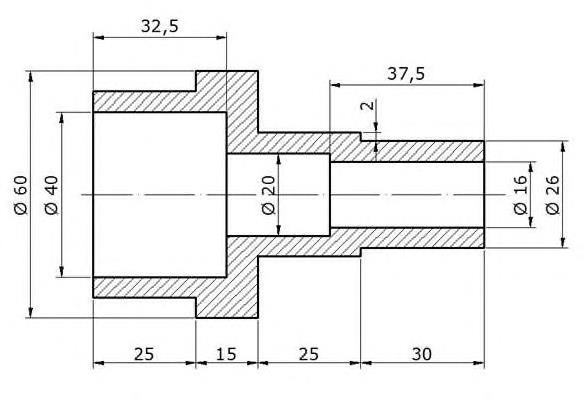
Soru:

Aşağıdaki Parçanın tam kesit resmini çiziniz?

Soru Resmi
Cevaplar:
Sınıf: MESEM - 11 Dal: Alan Ortak Dersleri(MESEM-11) Ders: Otomotiv Teknik Resim Konu: Perspektif ve Ölçülendirme Tür: Klasik Zorluk: orta Hazırlayan: mehmetkucukdag
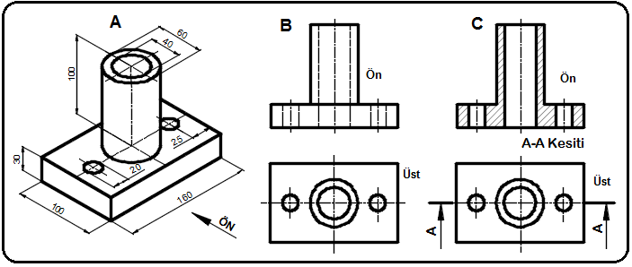
Soru:

Aşağıda perspektif görünüşü verilen parçanın üç görünüşünü (ön, yan, üst) çiziniz?

Soru Resmi
Cevaplar:
Sınıf: MESEM - 11 Dal: Alan Ortak Dersleri(MESEM-11) Ders: Otomotiv Teknik Resim Konu: Perspektif ve Ölçülendirme Tür: Klasik Zorluk: orta Hazırlayan: mehmetkucukdag
Soru:

Görünüşlerin üzerindeki harfleri parça üzerinde ait olduğu yerlere yazınız?

Soru Resmi
Cevaplar:
Sınıf: MESEM - 11 Dal: Alan Ortak Dersleri(MESEM-11) Ders: Otomotiv Teknik Resim Konu: Perspektif ve Ölçülendirme Tür: Klasik Zorluk: kolay Hazırlayan: mehmetkucukdag
Soru:

Parçanın üzerindeki harfleri görünüşlerinin üzerinde ait olduğu yerlere yazınız?

Soru Resmi
Cevaplar:
Sınıf: MESEM - 11 Dal: Alan Ortak Dersleri(MESEM-11) Ders: Otomotiv Teknik Resim Konu: Perspektif ve Ölçülendirme Tür: Klasik Zorluk: kolay Hazırlayan: mehmetkucukdag
Soru:

Aşağıdaki ölçüleri verilen parçayı 1/1 ölçeğinde çiziniz?

Soru Resmi
Cevaplar:
Sınıf: MESEM - 11 Dal: Alan Ortak Dersleri(MESEM-11) Ders: Otomotiv Teknik Resim Konu: Perspektif ve Ölçülendirme Tür: Klasik Zorluk: kolay Hazırlayan: mehmetkucukdag
Soru:

Aşağıda verilen resmi 1:2 küçülme ölçeği teknik resim kurallarına uygun biçimde çiziniz?

Soru Resmi
Cevaplar:
Sınıf: MESEM - 11 Dal: Alan Ortak Dersleri(MESEM-11) Ders: Otomotiv Teknik Resim Konu: Temel Çizimler Tür: Klasik Zorluk: orta Hazırlayan: mehmetkucukdag
Soru:

Verilen doğru üzerindeki O noktasından pergel yardımıyla dikme çıkınız?

Soru Resmi
Cevaplar:
Sınıf: MESEM - 11 Dal: Alan Ortak Dersleri(MESEM-11) Ders: Otomotiv Teknik Resim Konu: Temel Çizimler Tür: Klasik Zorluk: orta Hazırlayan: mehmetkucukdag
Soru:

Şekilde verilen daire içine pergel ve cetvel yardımıyla düzgün beşgen çiziniz?

Soru Resmi
Cevaplar:
Sınıf: MESEM - 11 Dal: Alan Ortak Dersleri(MESEM-11) Ders: Otomotiv Teknik Resim Konu: Perspektif ve Ölçülendirme Tür: Klasik Zorluk: orta Hazırlayan: mehmetkucukdag
Soru:

Aşağıda perspektifi verilen parçanın 3 görünüşünü serbest elle çiziniz?

Soru Resmi
Cevaplar: